+86-563-4186973

Hantar maklum balas

Metrik Circlips-Din472 Dalaman Pembekal

Rumah / Produk / Circlips dalaman / Metrik Circlips-Din472 Dalaman

Kategori produk

Kosongkan semua

Hubungi kami

Metrik Circlips-Din472 Dalaman

Metrik DIN472 Circlips dalaman adalah untuk mengelakkan pergerakan paksi bahagian -bahagian yang dipasang di dalam lubang. Ia biasanya dipasang dalam alur dalaman lubang pekeliling pra-diproses dan dipasang dengan tang circlip khas. Diameter luar jenis circlips ini sedikit lebih besar daripada diameter lubang bulat yang dipasang.

Bahan: Keluli karbon konvensional dan keluli tahan karat (65mn, C67S, 2CR13, 304, 1.4122, dll.)

Rawatan Permukaan: Pelbagai kaedah rawatan standard konvensional, seperti fosfat, dacromet, geomet, galvanizing, penyaduran zink-nikel, elektroforesis, dan lain-lain.

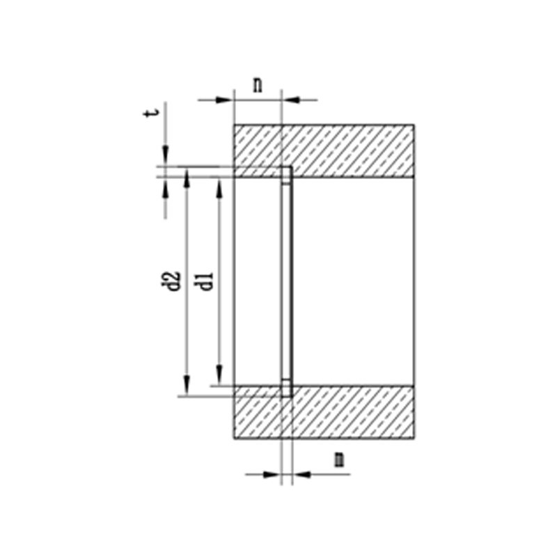
D1: Saiz Spesifikasi/Nominal; S: ketebalan; D3: diameter luar; A: Ketinggian kepala; ≈ b: lebar bahu; D5: Lubang Kecil; WT: Berat; FN: Kapasiti galas alur; FR: mengekalkan kapasiti galas cincin (sudut kanan); G: saiz chamfer; FRG: mengekalkan kapasiti galas cincin (chamfer);

Metrik Circlips-Din472 Dalaman

d1 S Tol d3 Tol maks ≈b D5 min Wt (g) d2 Tol m t N Fn (kn) Fr (kn) g Frg (kn) K n · mm
8
0.80
-0.05
8.7
0.36 -0.10
2.4
1.1
1.0
0.10
8.4
0.09
0.90
0.20
0.6
0.86
2.0
0.5
1.5
9.2
9
0.80
-0.05
9.8
0.36 -0.10
2.5
1.3
1.0
0.13
9.4
0.09
0.90
0.20
0.6
0.96
2.0
0.5
1.5
8.4
10
1.00
-0.06
10.8
0.36 -0.10
3.2
1.4
1.2
0.26
10.4
0.11
1.10
0.20
0.6
1.08
4.0
0.5
2.2
19.6
11
1.00
-0.06
11.8
0.36 -0.10
3.3
1.5
1.2
0.31
11.4
0.11
1.10
0.20
0.6
1.17
4.0
0.5
2.3
21.0
12
1.00
-0.06
13.0
0.36 -0.10
3.4
1.7
1.5
0.37
12.5
0.11
1.10
0.25
0.8
1.60
4.0
0.5
2.3
20.2
13
1.00
-0.06
14.1
0.36 -0.10
3.6
1.8
1.5
0.42
13.6
0.11
1.10
0.30
0.9
2.10
4.2
0.5
2.3
20.3
14
1.00
-0.06
15.1
0.36 -0.10
3.7
1.8
1.7
0.52
14.6
0.11
1.10
0.30
0.9
2.25
4.5
0.5
2.3
19.7
15
1.00
-0.06
16.2
0.36 -0.10
3.7
2.0
1.7
0.56
15.7
0.11
1.10
0.35
1.1
2.80
5.0
0.5
2.3
19.0
16
1.00
-0.06
17.3
0.36 -0.10
3.8
2.0
1.7
0.60
16.8
0.11
1.10
0.40
1.2
3.40
5.5
1.0
2.6
18.4
17
1.00
-0.06
18.3
0.42 -0.13
3.9
2.1
1.7
0.65
17.8
0.11
1.10
0.40
1.2
3.60
6.0
1.0
2.5
18.1
18
1.00
-0.06
19.5
0.42 -0.13
4.1
2.2
2.0
0.74
19.0
0.13
1.10
0.50
1.5
4.80
6.5
1.0
2.6
18.2
19
1.00
-0.06
20.5
0.42 -0.13
4.1
2.2
2.0
0.73
20.0
0.13
1.10
0.50
1.5
5.10
6.8
1.0
2.6
17.2
20
1.00
-0.06
21.5
0.42 -0.13
4.1
2.3
2.0
0.90
21.0
0.13
1.10
0.50
1.5
5.40
7.2
1.0
2.6
16.9
21
1.00
-0.06
22.5
0.42 -0.13
4.2
2.4
2.0
1.00
22.0
0.13
1.10
0.50
1.5
5.70
7.6
1.0
2.6
17.2
22
1.00
-0.06
23.5
0.42 -0.13
4.2
2.5
2.0
1.10
23.0
0.13
1.10
0.50
1.5
5.90
8.0
1.0
2.7
17.6
23
1.20
-0.06
24.6
0.42 -0.13
4.2
2.5
2.0
1.34
24.1
0.13
1.30
0.55
1.7
6.80
8.0
1.0
4.6
28.8
24
1.20
-0.06
25.9
0.42 -0.21
4.3
2.6
2.0
1.42
25.2
0.21
1.30
0.60
1.8
7.70
13.9
1.0
4.6
28.4
25
1.20
-0.06
26.9
0.42 -0.21
4.5
2.7
2.0
1.50
26.2
0.21
1.30
0.60
1.8
8.00
14.6
1.0
4.7
29.0
26
1.20
-0.06
27.9
0.42 -0.21
4.7
2.8
2.0
1.60
27.2
0.21
1.30
0.60
1.8
8.40
13.8
1.0
4.6
27.8
27
1.20
-0.06
29.1
0.42 -0.21
4.7
2.9
2.0
1.75
28.4
0.21
1.30
0.70
2.1
10.10
13.3
1.0
4.5
26.6
28
1.20
-0.06
30.1
0.50 -0.25
4.8
2.9
2.0
1.80
29.4
0.21
1.30
0.70
2.1
10.50
13.3
1.0
4.5
26.3
29
1.20
-0.06
31.1
0.50 -0.25
4.8
3.0
2.0
1.88
30.4
0.25
1.30
0.70
2.1
10.90
13.6
1.0
4.6
26.8
30
1.20
-0.06
32.1
0.50 -0.25
4.8
3.0
2.0
2.06
31.4
0.25
1.30
0.70
2.1
11.30
13.7
1.0
4.6
26.6
31
1.20
-0.06
33.4
0.50 -0.25
5.2
3.1
2.5
2.10
32.7
0.25
1.30
0.85
2.6
14.10
13.8
1.0
4.7
26.8
32
1.20
-0.06
34.4
0.50 -0.25
5.4
3.2
2.5
2.21
33.7
0.25
1.30
0.85
2.6
14.60
13.8
1.0
4.7
26.6
33
1.20
-0.06
35.5
0.50 -0.25
5.4
3.3
2.5
2.40
34.7
0.25
1.30
0.85
2.6
15.00
14.3
1.0
4.9
27.0
34
1.50
-0.06
36.5
0.50 -0.25
5.4
3.3
2.5
3.20
35.7
0.25
1.60
0.85
2.6
15.40
26.2
1.5
6.3
50.0
35
1.50
-0.06
37.8
0.50 -0.25
5.4
3.4
2.5
3.54
37.0
0.25
1.60
1.00
3.0
18.80
26.9
1.5
6.4
50.5
36
1.50
-0.06
38.8
0.50 -0.25
5.4
3.5
2.5
3.70
38.0
0.25
1.60
1.00
3.0
19.40
26.4
1.5
6.4
50.2
37
1.50
-0.06
39.8
0.50 -0.25
5.5
3.6
2.5
3.74
39.0
0.25
1.60
1.00
3.0
19.80
27.1
1.5
6.5
51.0
38
1.50
-0.06
40.8
0.50 -0.25
5.5
3.7
2.5
3.90
40.0
0.25
1.60
1.00
3.0
22.50
28.2
1.5
6.7
51.7
39
1.50
-0.06
42.0
0.90 -0.39
5.6
3.8
2.5
4.00
41.0
0.25
1.60
1.00
3.0
26.00
28.8
1.5
6.9
52.4
40
1.75
-0.06
43.5
0.90 -0.39
5.8
3.9
2.5
4.70
42.5
0.25
1.85
1.25
3.8
27.00
44.6
2.0
8.3
80.1
41
1.75
-0.06
44.5
0.90 -0.39
5.9
4.0
2.5
5.10
43.5
0.25
1.85
1.25
3.8
27.60
45.0
2.0
8.3
81.2
42
1.75
-0.06
45.5
0.90 -0.39
5.9
4.1
2.5
5.40
44.5
0.25
1.85
1.25
3.8
28.40
44.7
2.0
8.4
80.9
43
1.75
-0.06
46.5
0.90 -0.39
5.9
4.2
2.5
5.60
45.5
0.25
1.85
1.25
3.8
28.80
44.5
2.0
8.4
80.5
44
1.75
-0.06
47.5
0.90 -0.39
6.0
4.2
2.5
5.80
46.5
0.25
1.85
1.25
3.8
29.50
43.3
2.0
8.3
78.6
45
1.75
-0.06
48.5
0.90 -0.39
6.2
4.3
2.5
6.00
47.5
0.25
1.85
1.25
3.8
30.20
43.1
2.0
8.2
78.1
46
1.75
-0.06
49.5
0.90 -0.39
6.3
4.4
2.5
6.05
48.5
0.25
1.85
1.25
3.8
30.80
42.9
2.0
8.2
77.8
47
1.75
-0.06
50.5
1.10 -0.46
6.4
4.4
2.5
6.10
49.5
0.25
1.85
1.25
3.8
31.40
43.5
2.0
8.3
78.9
48
1.75
-0.06
51.5
1.10 -0.46
6.4
4.5
2.5
6.70
50.5
0.30
1.85
1.25
3.8
32.00
43.2
2.0
8.4
78.5
50
2.00
-0.07
54.2
1.10 -0.46
6.5
4.6
2.5
7.30
53.0
0.30
2.15
1.50
4.5
40.50
60.8
2.0
12.1
111.0
51
2.00
-0.07
55.2
1.10 -0.46
6.5
4.7
2.5
7.75
54.0
0.30
2.15
1.50
4.5
41.20
60.2
2.0
12.0
109.0
52
2.00
-0.07
56.2
1.10 -0.46
6.7
4.7
2.5
8.20
55.0
0.30
2.15
1.50
4.5
42.00
60.2
2.0
12.0
108.0
53
2.00
-0.07
57.2
1.10 -0.46
6.7
4.9
2.5
8.22
56.0
0.30
2.15
1.50
4.5
42.90
60.7
2.0
12.1
110.0
54
2.00
-0.07
58.2
1.10 -0.46
6.7
5.0
2.5
8.25
57.0
0.30
2.15
1.50
4.5
43.60
60.4
2.0
12.3
110.0
55
2.00
-0.07
59.2
1.10 -0.46
6.8
5.0
2.5
8.30
58.0
0.30
2.15
1.50
4.5
44.40
60.3
2.0
12.5
111.0
56
2.00
-0.07
60.2
1.10 -0.46
6.8
5.1
2.5
8.80
59.0
0.30
2.15
1.50
4.5
45.20
60.3
2.0
12.6
111.0
57
2.00
-0.07
61.2
1.10 -0.46
6.8
5.1
2.5
9.40
60.0
0.30
2.15
1.50
4.5
46.00
60.8
2.0
12.7
112.0
58
2.00
-0.07
62.2
1.10 -0.46
6.9
5.2
2.5
10.50
61.0
0.30
2.15
1.50
4.5
46.70
60.8
2.0
12.7
112.0
60
2.00
-0.07
64.2
1.10 -0.46
7.3
5.4
2.5
11.10
63.0
0.30
2.15
1.50
4.5
48.30
61.0
2.0
13.0
113.0
62
2.00
-0.07
66.2
1.10 -0.46
7.3
5.5
2.5
11.20
65.0
0.30
2.15
1.50
4.5
49.80
60.9
2.0
13.0
112.0
63
2.00
-0.07
67.2
1.10 -0.46
7.3
5.6
2.5
12.40
66.0
0.30
2.15
1.50
4.5
50.60
60.8
2.0
13.0
112.0
64
2.00
-0.07
68.2
1.10 -0.46
7.4
5.7
2.5
12.45
67.0
0.30
2.15
1.50
4.5
51.40
60.6
2.0
13.0
112.0
65
2.50
-0.07
69.2
1.10 -0.46
7.6
5.8
3.0
14.30
68.0
0.30
2.65
1.50
4.5
51.80
121.0
2.5
20.8
220.0
67
2.50
-0.07
71.5
1.10 -0.46
7.7
6.0
3.0
15.30
70.0
0.30
2.65
1.50
4.5
53.80
121.0
2.5
21.1
222.0
68
2.50
-0.07
72.5
1.10 -0.46
7.8
6.1
3.0
16.00
71.0
0.30
2.65
1.50
4.5
56.20
119.0
2.5
21.0
218.0
70
2.50
-0.07
74.5
1.10 -0.46
7.8
6.2
3.0
16.50
73.0
0.30
2.65
1.50
4.5
56.20
119.0
2.5
21.0
218.0
72
2.50
-0.07
76.5
1.10 -0.46
7.8
6.4
3.0
18.10
75.0
0.30
2.65
1.50
4.5
58.00
119.0
2.5
21.0
217.0
75
2.50
-0.07
79.5
1.10 -0.46
7.8
6.6
3.0
18.80
78.0
0.30
2.65
1.50
4.5
60.00
118.0
2.5
21.0
215.0
77
2.50
-0.07
82.5
1.30 -0.54
8.5
6.8
3.0
20.40
80.0
0.30
2.65
1.50
4.5
61.60
121.0
2.5
21.5
220.0
78
2.50
-0.07
82.5
1.30 -0.54
8.5
6.8
3.0
20.40
81.0
0.35
2.65
1.50
4.5
62.30
122.0
2.5
21.8
221.0
80
2.50
-0.07
85.5
1.30 -0.54
8.5
7.0
3.0
22.00
83.5
0.35
2.65
1.75
5.3
74.60
120.0
2.5
21.8
219.0
81
2.50
-0.07
86.5
1.30 -0.54
8.5
7.0
3.0
23.00
84.5
0.35
2.65
1.75
5.3
75.80
119.0
2.5
21.6
216.0
82
2.50
-0.07
87.5
1.30 -0.54
8.5
7.0
3.0
24.00
85.5
0.35
2.65
1.75
5.3
76.60
119.0
2.5
21.4
214.0
83
2.50
-0.07
88.5
1.30 -0.54
8.5
7.0
3.0
25.00
86.5
0.35
2.65
1.75
5.3
77.50
118.0
2.5
21.2
213.0
85
3.00
-0.08
90.5
1.30 -0.54
8.6
7.2
3.5
25.30
88.5
0.35
3.15
1.75
5.3
79.50
201.0
3.0
31.2
364.0
87
3.00
-0.08
93.5
1.30 -0.54
8.6
7.4
3.5
31.00
90.5
0.35
3.15
1.75
5.3
81.30
204.0
3.0
31.8
370.0
88
3.00
-0.08
93.5
1.30 -0.54
8.6
7.4
3.5
31.00
91.5
0.35
3.15
1.75
5.3
82.00
209.0
3.0
32.7
380.0
90
3.00
-0.08
95.5
1.30 -0.54
8.6
7.6
3.5
33.00
93.5
0.35
3.15
1.75
5.3
84.00
199.0
3.0
31.4
364.0
92
3.00
-0.08
97.5
1.30 -0.54
8.7
7.8
3.5
35.00
95.5
0.35
3.15
1.75
5.3
85.00
201.0
3.0
32.0
371.0
95
3.00
-0.08
100.5
1.30 -0.54
8.8
8.1
3.5
37.00
98.5
0.35
3.15
1.75
5.3
88.00
195.0
3.0
31.4
365.0
97
3.00
-0.08
103.5
1.30 -0.54
9.0
8.3
3.5
41.00
100.5
0.35
3.15
1.75
5.3
90.00
193.0
3.0
31.2
364.0
98
3.00
-0.08
103.5
1.30 -0.54
9.0
8.3
3.5
41.00
101.5
0.35
3.15
1.75
5.3
91.00
191.0
3.0
31.0
361.0
100
3.00
-0.08
105.5
1.30 -0.54
9.2
8.4
3.5
42.00
103.5
0.35
3.15
1.75
5.3
93.00
188.0
3.0
30.8
359.0
102
4.00
-0.10
108.0
1.30 -0.54
9.5
8.5
3.5
55.00
106.0
0.54
4.15
2.00
6.0
108.00
439.0
3.0
72.6
846.0
105
4.00
-0.10
112.0
1.30 -0.54
9.5
8.7
3.5
56.00
109.0
0.54
4.15
2.00
6.0
112.00
436.0
3.0
73.0
850.0
107
4.00
-0.10
115.0
1.30 -0.54
9.5
8.9
3.5
60.00
111.0
0.54
4.15
2.00
6.0
114.00
425.0
3.0
71.6
834.0
108
4.00
-0.10
115.0
1.30 -0.54
9.5
8.9
3.5
60.00
112.0
0.54
4.15
2.00
6.0
115.00
419.0
3.0
71.0
825.0
110
4.00
-0.10
117.0
1.30 -0.54
10.4
9.0
3.5
64.50
114.0
0.54
4.15
2.00
6.0
117.00
415.0
3.0
71.0
824.0
112
4.00
-0.10
119.0
1.30 -0.54
10.5
9.1
3.5
72.00
116.0
0.54
4.15
2.00
6.0
119.00
418.0
3.0
72.0
837.0
115
4.00
-0.10
122.0
1.50 -0.63
10.5
9.3
3.5
74.50
119.0
0.54
4.15
2.00
6.0
122.00
409.0
3.0
71.2
829.0
117
4.00
-0.10
125.0
1.50 -0.63
10.7
9.6
3.5
75.50
121.0
0.63
4.15
2.00
6.0
124.00
399.0
3.0
70.0
814.0
118
4.00
-0.10
125.0
1.50 -0.63
10.7
9.6
3.5
75.50
122.0
0.63
4.15
2.00
6.0
125.00
394.0
3.0
69.3
807.0
120
4.00
-0.10
127.0
1.50 -0.63
11.0
9.7
3.5
77.00
124.0
0.63
4.15
2.00
6.0
127.00
396.0
3.0
70.0
818.0
122
4.00
-0.10
129.0
1.50 -0.63
11.0
9.8
4.0
78.00
126.0
0.63
4.15
2.00
6.0
129.00
399.0
3.0
71.0
829.0
125
4.00
-0.10
132.0
1.50 -0.63
11.0
10.0
4.0
79.00
129.0
0.63
4.15
2.00
6.0
132.00
385.0
3.0
70.0
809.0
127
4.00
-0.10
135.0
1.50 -0.63
11.0
10.0
4.0
81.00
131.0
0.63
4.15
2.00
6.0
135.00
383.0
3.0
70.0
808.0
128
4.00
-0.10
135.0
1.50 -0.63
11.0
10.2
4.0
81.00
132.0
0.63
4.15
2.00
6.0
136.00
378.0
3.0
69.0
802.0
130
4.00
-0.10
137.0
1.50 -0.63
11.0
10.2
4.0
82.00
134.0
0.63
4.15
2.00
6.0
138.00
374.0
3.0
69.0
801.0
132
4.00
-0.10
139.0
1.50 -0.63
11.0
10.3
4.0
83.00
136.0
0.63
4.15
2.00
6.0
140.00
366.0
3.0
68.0
789.0
135
4.00
-0.10
142.0
1.50 -0.63
11.2
10.5
4.0
84.00
139.0
0.63
4.15
2.00
6.0
143.00
358.0
3.0
67.0
781.0
137
4.00
-0.10
145.0
1.50 -0.63
11.2
10.6
4.0
86.00
141.0
0.63
4.15
2.00
6.0
145.00
356.0
3.0
67.0
780.0
138
4.00
-0.10
145.0
1.50 -0.63
11.2
10.6
4.0
86.00
142.0
0.63
4.15
2.00
6.0
146.00
352.0
3.0
66.5
775.0
140
4.00
-0.10
147.0
1.50 -0.63
11.2
10.7
4.0
87.50
144.0
0.63
4.15
2.00
6.0
148.00
350.0
3.0
66.5
775.0
142
4.00
-0.10
149.0
1.50 -0.63
11.3
10.8
4.0
89.00
146.0
0.63
4.15
2.00
6.0
150.00
342.0
3.0
65.5
764.0
145
4.00
-0.10
152.0
1.50 -0.63
11.4
10.9
4.0
93.00
149.0
0.63
4.15
2.00
6.0
153.00
336.0
3.0
65.0
757.0
147
4.00
-0.10
155.0
1.50 -0.63
11.8
11.1
4.0
100.00
151.0
0.63
4.15
2.00
6.0
156.00
336.0
3.0
65.0
757.0
148
4.00
-0.10
155.0
1.50 -0.63
11.8
11.1
4.0
100.00
152.0
0.63
4.15
2.00
6.0
157.00
331.0
3.0
64.5
753.0
150
4.00
-0.10
158.0
1.50 -0.63
12.0
11.2
4.0
105.00
155.0
0.63
4.15
2.50
7.5
191.00
326.0
3.0
64.0
748.0
152
4.00
-0.10
161.0
1.50 -0.63
12.0
11.3
4.0
106.00
157.0
0.63
4.15
2.50
7.5
202.00
326.0
3.5
55.0
747.0
155
4.00
-0.10
164.0
1.50 -0.63
12.0
11.4
4.0
107.00
160.0
0.63
4.15
2.50
7.5
206.00
324.0
3.5
55.0
743.0
157
4.00
-0.10
167.0
1.50 -0.63
12.3
11.5
4.0
109.00
162.0
0.63
4.15
2.50
7.5
208.00
328.0
3.5
55.5
752.0
158
4.00
-0.10
167.0
1.50 -0.63
12.3
11.5
4.0
109.00
163.0
0.63
4.15
2.50
7.5
210.00
326.0
3.5
55.0
747.0
160
4.00
-0.10
169.0
1.50 -0.63
13.0
11.6
4.0
110.00
165.0
0.63
4.15
2.50
7.5
212.00
321.0
3.5
54.5
737.0
162
4.00
-0.10
171.5
1.50 -0.63
13.0
11.7
4.0
118.00
167.0
0.63
4.15
2.50
7.5
215.00
321.0
3.5
54.5
736.0
165
4.00
-0.10
174.5
1.50 -0.63
13.0
11.8
4.0
125.00
170.0
0.63
4.15
2.50
7.5
219.00
319.0
3.5
54.0
732.0
167
4.00
-0.10
177.5
1.50 -0.63
13.5
12.1
4.0
135.00
172.0
0.63
4.15
2.50
7.5
221.00
355.0
3.5
60.0
814.0
168
4.00
-0.10
177.5
1.50 -0.63
13.5
12.1
4.0
135.00
173.0
0.63
4.15
2.50
7.5
223.00
353.0
3.5
60.0
810.0
170
4.00
-0.10
179.5
1.50 -0.63
13.5
12.2
4.0
140.00
175.0
0.63
4.15
2.50
7.5
225.00
349.0
3.5
59.0
800.0
172
4.00
-0.10
181.5
1.70 -0.72
13.5
12.5
4.0
145.00
177.0
0.63
4.15
2.50
7.5
228.00
357.0
3.5
60.0
818.0
175
4.00
-0.10
184.5
1.70 -0.72
13.5
12.7
4.0
150.00
180.0
0.63
4.15
2.50
7.5
232.00
351.0
3.5
59.0
804.0
177
4.00
-0.10
187.5
1.70 -0.72
14.2
12.9
4.0
162.00
182.0
0.72
4.15
2.50
7.5
235.00
346.0
3.5
58.5
794.0
178
4.00
-0.10
187.5
1.70 -0.72
14.2
12.9
4.0
162.00
183.0
0.72
4.15
2.50
7.5
236.00
344.0
3.5
58.0
789.0
180
4.00
-0.10
189.5
1.70 -0.72
14.2
13.2
4.0
165.00
185.0
0.72
4.15
2.50
7.5
238.00
347.0
3.5
58.5
796.0
182
4.00
-0.10
191.5
1.70 -0.72
14.2
13.5
4.0
168.00
187.0
0.72
4.15
2.50
7.5
241.00
355.0
3.5
60.0
814.0
185
4.00
-0.10
194.5
1.70 -0.72
14.2
13.7
4.0
170.00
190.0
0.72
4.15
2.50
7.5
245.00
349.0
3.5
59.0
800.0
187
4.00
-0.10
197.5
1.70 -0.72
14.2
13.8
4.0
174.00
192.0
0.72
4.15
2.50
7.5
248.00
345.0
3.5
58.5
792.0
188
4.00
-0.10
197.5
1.70 -0.72
14.2
13.8
4.0
174.00
193.0
0.72
4.15
2.50
7.5
249.00
343.0
3.5
58.0
786.0
190
4.00
-0.10
199.5
1.70 -0.72
14.2
13.8
4.0
175.00
195.0
0.72
4.15
2.50
7.5
251.00
340.0
3.5
57.5
779.0
192
4.00
-0.10
201.5
1.70 -0.72
14.2
13.8
4.0
178.00
197.0
0.72
4.15
2.50
7.5
254.00
336.0
3.5
57.0
770.0
195
4.00
-0.10
204.5
1.70 -0.72
14.2
13.8
4.0
183.00
200.0
0.72
4.15
2.50
7.5
258.00
330.0
3.5
55.5
756.0
197
4.00
-0.10
207.5
1.70 -0.72
14.2
14.0
4.0
190.00
202.0
0.72
4.15
2.50
7.5
260.00
330.0
3.5
55.5
756.0
198
4.00
-0.10
207.5
1.70 -0.72
14.2
14.0
4.0
190.00
203.0
0.72
4.15
2.50
7.5
262.00
329.0
3.5
55.5
754.0
200
4.00
-0.10
209.5
1.70 -0.72
14.2
14.0
4.0
195.00
205.0
0.72
4.15
2.50
7.5
265.00
325.0
3.5
55.0
745.0
202
5.00
-0.12
214.0
1.70 -0.72
14.2
14.0
4.0
210.00
208.0
0.72
5.15
3.00
9.0
321.00
625.0
4.0
92.5
1432.0
205
5.00
-0.12
217.0
1.70 -0.72
14.2
14.0
4.0
225.00
211.0
0.72
5.15
3.00
9.0
326.00
616.0
4.0
91.5
1411.0
207
5.00
-0.12
217.0
1.70 -0.72
14.2
14.0
4.0
225.00
213.0
0.72
5.15
3.00
9.0
329.00
610.0
4.0
90.0
1399.0
208
5.00
-0.12
222.0
1.70 -0.72
14.2
14.0
4.0
270.00
214.0
0.72
5.15
3.00
9.0
331.00
607.0
4.0
90.0
1392.0
210
5.00
-0.12
222.0
1.70 -0.72
14.2
14.0
4.0
270.00
216.0
0.72
5.15
3.00
9.0
333.00
601.0
4.0
89.5
1378.0
212
5.00
-0.12
222.0
1.70 -0.72
14.2
14.0
4.0
270.00
218.0
0.72
5.15
3.00
9.0
337.00
596.0
4.0
88.5
1367.0
215
5.00
-0.12
227.0
1.70 -0.72
14.2
14.0
4.0
300.00
221.0
0.72
5.15
3.00
9.0
341.00
586.0
4.0
87.0
1343.0
217
5.00
-0.12
227.0
1.70 -0.72
14.2
14.0
4.0
300.00
223.0
0.72
5.15
3.00
9.0
345.00
581.0
4.0
86.0
1331.0
218
5.00
-0.12
232.0
1.70 -0.72
14.2
14.0
4.0
315.00
224.0
0.72
5.15
3.00
9.0
346.00
580.0
4.0
86.0
1329.0
220
5.00
-0.12
232.0
1.70 -0.72
14.2
14.0
4.0
315.00
226.0
0.72
5.15
3.00
9.0
349.00
574.0
4.0
85.0
1316.0
222
5.00
-0.12
232.0
1.70 -0.72
14.2
14.0
4.0
315.00
228.0
0.72
5.15
3.00
9.0
353.00
568.0
4.0
84.0
1303.0
225
5.00
-0.12
237.0
1.70 -0.72
14.2
14.0
4.0
323.00
231.0
0.72
5.15
3.00
9.0
357.00
560.0
4.0
83.0
1283.0
227
5.00
-0.12
237.0
1.70 -0.72
14.2
14.0
4.0
323.00
233.0
0.72
5.15
3.00
9.0
361.00
555.0
4.0
82.0
1271.0
228
5.00
-0.12
242.0
1.70 -0.72
14.2
14.0
4.0
330.00
234.0
0.72
5.15
3.00
9.0
362.00
554.0
4.0
82.0
1268.0
230
5.00
-0.12
242.0
1.70 -0.72
14.2
14.0
4.0
330.00
236.0
0.72
5.15
3.00
9.0
365.00
549.0
4.0
81.0
1259.0
232
5.00
-0.12
242.0
2.00 -0.81
14.2
14.0
4.0
330.00
238.0
0.72
5.15
3.00
9.0
369.00
544.0
4.0
80.5
1246.0
235
5.00
-0.12
247.0
2.00 -0.81
14.2
14.0
4.0
338.00
241.0
0.72
5.15
3.00
9.0
373.00
536.0
4.0
79.5
1229.0
237
5.00
-0.12
247.0
2.00 -0.81
14.2
14.0
4.0
338.00
243.0
0.72
5.15
3.00
9.0
376.00
531.0
4.0
79.0
1217.0
238
5.00
-0.12
252.0
2.00 -0.81
14.2
14.0
4.0
345.00
244.0
0.72
5.15
3.00
9.0
378.00
530.0
4.0
79.0
1214.0
240
5.00
-0.12
252.0
2.00 -0.81
14.2
14.0
4.0
345.00
246.0
0.72
5.15
3.00
9.0
380.00
525.0
4.0
77.5
1204.0
242
5.00
-0.12
252.0
2.00 -0.81
14.2
14.0
4.0
345.00
248.0
0.81
5.15
3.00
9.0
385.00
521.0
4.0
77.0
1194.0
245
5.00
-0.12
257.0
2.00 -0.81
14.2
14.0
4.0
353.00
251.0
0.81
5.15
3.00
9.0
389.00
514.0
4.0
76.5
1178.0
247
5.00
-0.12
257.0
2.00 -0.81
14.2
14.0
4.0
353.00
253.0
0.81
5.15
3.00
9.0
392.00
509.0
4.0
76.0
1167.0
248
5.00
-0.12
262.0
2.00 -0.81
14.2
14.0
4.0
360.00
254.0
0.81
5.15
3.00
9.0
394.00
507.0
4.0
75.5
1163.0
250
5.00
-0.12
262.0
2.00 -0.81
14.2
14.0
4.0
360.00
256.0
0.81
5.15
3.00
9.0
396.00
504.0
4.0
75.0
1155.0
252
5.00
-0.12
262.0
2.00 -0.81
14.2
16.0
5.0
360.00
260.0
0.81
5.15
4.00
12.0
535.00
557.0
4.0
83.0
1277.0
255
5.00
-0.12
270.0
2.00 -0.81
16.2
16.0
5.0
368.00
263.0
0.81
5.15
4.00
12.0
541.00
549.0
4.0
81.5
1259.0
257
5.00
-0.12
270.0
2.00 -0.81
16.2
16.0
5.0
368.00
265.0
0.81
5.15
4.00
12.0
546.00
545.0
4.0
81.0
1249.0
258
5.00
-0.12
275.0
2.00 -0.81
16.2
16.0
5.0
375.00
266.0
0.81
5.15
4.00
12.0
548.00
543.0
4.0
80.5
1244.0
260
5.00
-0.12
275.0
2.00 -0.81
16.2
16.0
5.0
375.00
268.0
0.81
5.15
4.00
12.0
553.00
538.0
4.0
80.0
1234.0
262
5.00
-0.12
275.0
2.00 -0.81
16.2
16.0
5.0
375.00
270.0
0.81
5.15
4.00
12.0
556.00
535.0
4.0
79.0
1227.0
265
5.00
-0.12
280.0
2.00 -0.81
16.2
16.0
5.0
383.00
273.0
0.81
5.15
4.00
12.0
563.00
528.0
4.0
78.5
1210.0
267
5.00
-0.12
280.0
2.00 -0.81
16.2
16.0
5.0
383.00
275.0
0.81
5.15
4.00
12.0
566.00
524.0
4.0
78.0
1201.0
268
5.00
-0.12
285.0
2.00 -0.81
16.2
16.0
5.0
388.00
276.0
0.81
5.15
4.00
12.0
570.00
522.0
4.0
77.5
1196.0
270
5.00
-0.12
285.0
2.00 -0.81
16.2
16.0
5.0
388.00
278.0
0.81
5.15
4.00
12.0
573.00
518.0
4.0
77.0
1188.0
272
5.00
-0.12
285.0
2.00 -0.81
16.2
16.0
5.0
388.00
280.0
0.81
5.15
4.00
12.0
577.00
515.0
4.0
76.5
1180.0
275
5.00
-0.12
290.0
2.00 -0.81
16.2
16.0
5.0
393.00
283.0
0.81
5.15
4.00
12.0
585.00
509.0
4.0
75.5
1167.0
277
5.00
-0.12
290.0
2.00 -0.81
16.2
16.0
5.0
393.00
285.0
0.81
5.15
4.00
12.0
587.00
505.0
4.0
75.0
1158.0
278
5.00
-0.12
295.0
2.00 -0.81
16.2
16.0
5.0
400.00
286.0
0.81
5.15
4.00
12.0
590.00
504.0
4.0
75.0
1154.0
280
5.00
-0.12
295.0
2.00 -0.81
16.2
16.0
5.0
400.00
288.0
0.81
5.15
4.00
12.0
593.00
499.0
4.0
74.0
1145.0
282
5.00
-0.12
295.0
2.00 -0.81
16.2
16.0
5.0
400.00
290.0
0.81
5.15
4.00
12.0
599.00
497.0
4.0
74.0
1138.0
285
5.00
-0.12
300.0
2.00 -0.81
16.2
16.0
5.0
408.00
293.0
0.81
5.15
4.00
12.0
605.00
491.0
4.0
73.0
1124.0
287
5.00
-0.12
300.0
2.00 -0.81
16.2
16.0
5.0
408.00
295.0
0.81
5.15
4.00
12.0
610.00
487.0
4.0
72.0
1117.0
288
5.00
-0.12
305.0
2.00 -0.81
16.2
16.0
5.0
415.00
296.0
0.81
5.15
4.00
12.0
611.00
485.0
4.0
72.0
1111.0
290
5.00
-0.12
305.0
2.00 -0.81
16.2
16.0
5.0
415.00
298.0
0.81
5.15
4.00
12.0
615.00
482.0
4.0
71.5
1104.0
292
5.00
-0.12
305.0
2.00 -0.81
16.2
16.0
5.0
415.00
300.0
0.81
5.15
4.00
12.0
620.00
479.0
4.0
71.0
1098.0
295
5.00
-0.12
310.0
2.00 -0.81
16.2
16.0
5.0
426.00
303.0
0.81
5.15
4.00
12.0
625.00
474.0
4.0
70.5
1087.0
297
5.00
-0.12
310.0
2.00 -0.81
16.2
16.0
5.0
426.00
305.0
0.81
5.15
4.00
12.0
630.00
471.0
4.0
70.5
1079.0
298
5.00
-0.12
315.0
2.00 -0.81
16.2
16.0
5.0
435.00
306.0
0.81
5.15
4.00
12.0
631.00
469.0
4.0
69.5
1075.0
300
5.00
-0.12
315.0
2.00 -0.81
16.2
16.0
5.0
435.00
308.0
0.81
5.15
4.00
12.0
636.00
466.0
4.0
69.0
1068.0
305
6.00
-0.15
322.0
2.00 -0.90
16 (20)
6.0
755.00
315.0
0.81
6.20
5.00
15.0
810.00
961.0
5.0
114.0
2202.0
310
6.00
-0.15
327.0
2.00 -0.90
16 (20)
6.0
770.00
320.0
0.89
6.20
5.00
15.0
823.00
947.0
5.0
113.0
2169.0
315
6.00
-0.15
332.0
2.00 -0.90
16 (20)
6.0
785.00
325.0
0.89
6.20
5.00
15.0
837.00
934.0
5.0
111.0
2140.0
320
6.00
-0.15
337.0
2.00 -0.90
16 (20)
6.0
800.00
330.0
0.89
6.20
5.00
15.0
850.00
919.0
5.0
109.0
2105.0
325
6.00
-0.15
342.0
2.00 -0.90
16 (20)
6.0
810.00
335.0
0.89
6.20
5.00
15.0
864.00
906.0
5.0
108.0
2076.0
330
6.00
-0.15
347.0
2.00 -0.90
16 (20)
6.0
820.00
340.0
0.89
6.20
5.00
15.0
876.00
894.0
5.0
106.0
2048.0
335
6.00
-0.15
352.0
2.00 -0.90
16 (20)
6.0
830.00
345.0
0.89
6.20
5.00
15.0
890.00
880.0
5.0
105.0
2017.0
340
6.00
-0.15
357.0
2.00 -0.90
16 (20)
6.0
840.00
350.0
0.89
6.20
5.00
15.0
903.00
869.0
5.0
104.0
1991.0
345
6.00
-0.15
362.0
2.00 -0.90
16 (20)
6.0
855.00
355.0
0.89
6.20
5.00
15.0
916.00
857.0
5.0
102.0
1964.0
350
6.00
-0.15
367.0
2.00 -0.90
16 (20)
6.0
870.00
360.0
0.89
6.20
5.00
15.0
929.00
846.0
5.0
101.0
1938.0
355
6.00
-0.15
372.0
2.00 -0.90
16 (20)
6.0
880.00
365.0
0.89
6.20
5.00
15.0
942.00
834.0
5.0
99.0
1910.0
360
6.00
-0.15
377.0
2.00 -0.90
16 (20)
6.0
890.00
370.0
0.89
6.20
5.00
15.0
955.00
823.0
5.0
98.0
1886.0
365
6.00
-0.15
382.0
2.00 -0.90
16 (20)
6.0
906.00
375.0
0.89
6.20
5.00
15.0
968.00
813.0
5.0
97.0
1862.0
370
6.00
-0.15
387.0
2.00 -0.90
16 (20)
6.0
920.00
380.0
0.89
6.20
5.00
15.0
981.00
803.0
5.0
95.0
1839.0
375
6.00
-0.15
392.0
2.00 -0.90
16 (20)
6.0
932.00
385.0
0.89
6.20
5.00
15.0
994.00
793.0
5.0
94.0
1817.0
380
6.00
-0.15
397.0
2.00 -0.90
16 (20)
6.0
940.00
390.0
0.89
6.20
5.00
15.0
1008.00
784.0
5.0
93.0
1796.0
385
6.00
-0.15
402.0
2.00 -1.00
16 (20)
6.0
950.00
395.0
0.89
6.20
5.00
15.0
1021.00
774.0
5.0
92.0
1774.0
390
6.00
-0.15
407.0
2.00 -1.00
16 (20)
6.0
960.00
400.0
0.89
6.20
5.00
15.0
1033.00
764.0
5.0
91.0
1751.0
395
6.00
-0.15
412.0
2.00 -1.00
16 (20)
6.0
972.00
405.0
1.00
6.20
5.00
15.0
1047.00
756.0
5.0
90.0
1732.0
400
6.00
-0.15
417.0
2.00 -1.00
16 (20)
6.0
980.00
410.0
1.00
6.20
5.00
15.0
1060.00
746.0
5.0
89.0
1710.0
410
7.00
-0.15
430.0
2.00 -1.00
23 (26)
6.0
1380.00
422.0
1.00
7.20
6.00
18.0
1307.00
1512.0
6.0
150.0
3463.0
420
7.00
-0.15
440.0
2.00 -1.00
23 (26)
6.0
1410.00
432.0
1.00
7.20
6.00
18.0
1338.00
1480.0
6.0
147.0
3391.0
430
7.00
-0.15
450.0
2.00 -1.00
23 (26)
6.0
1440.00
442.0
1.00
7.20
6.00
18.0
1369.00
1446.0
6.0
144.0
3312.0
440
7.00
-0.15
460.0
2.00 -1.00
23 (26)
6.0
1470.00
452.0
1.00
7.20
6.00
18.0
1401.00
1418.0
6.0
141.0
3248.0
450
7.00
-0.15
470.0
2.00 -1.00
23 (26)
6.0
1510.00
462.0
1.00
7.20
6.00
18.0
1431.00
1388.0
6.0
138.0
3180.0
460
7.00
-0.15
480.0
2.00 -1.00
23 (26)
6.0
1550.00
472.0
1.00
7.20
6.00
18.0
1464.00
1360.0
6.0
135.0
3116.0
470
7.00
-0.15
490.0
2.00 -1.00
23 (26)
6.0
1595.00
482.0
1.00
7.20
6.00
18.0
1495.00
1330.0
6.0
132.0
3048.0
480
7.00
-0.15
500.0
2.00 -1.00
23 (26)
6.0
1640.00
492.0
1.00
7.20
6.00
18.0
1526.00
1306.0
6.0
130.0
2991.0
490
7.00
-0.15
510.0
3.00 -1.50
23 (26)
6.0
1685.00
502.0
1.00
7.20
6.00
18.0
1558.00
1280.0
6.0
127.0
2931.0
500
7.00
-0.15
520.0
3.00 -1.50
23 (26)
6.0
1730.00
512.0
1.00
7.20
6.00
18.0
1588.00
1256.0
6.0
125.0
2878.0
510
8.00
-0.15
535.0
3.00 -1.50
23 (26)
6.0
2250.00
524.0
1.00
8.20
7.00
21.0
1894.00
1834.0
7.0
156.0
4201.0
520
8.00
-0.15
545.0
3.00 -1.50
23 (26)
6.0
2290.00
534.0
1.00
8.20
7.00
21.0
1931.00
1802.0
7.0
153.0
4128.0
530
8.00
-0.15
555.0
3.00 -1.50
23 (26)
6.0
2335.00
544.0
1.00
8.20
7.00
21.0
1968.00
1768.0
7.0
150.0
4049.0
540
8.00
-0.15
565.0
3.00 -1.50
23 (26)
6.0
2380.00
554.0
1.00
8.20
7.00
21.0
2004.00
1738.0
7.0
148.0
3981.0
550
8.00
-0.15
575.0
3.00 -1.50
23 (26)
6.0
2430.00
564.0
1.00
8.20
7.00
21.0
2041.00
1711.0
7.0
145.0
3919.0
560
8.00
-0.15
585.0
3.00 -1.50
23 (26)
6.0
2495.00
574.0
1.00
8.20
7.00
21.0
2078.00
1682.0
7.0
143.0
3852.0
570
8.00
-0.15
595.0
3.00 -1.50
23 (26)
6.0
2560.00
584.0
1.00
8.20
7.00
21.0
2114.00
1650.0
7.0
141.0
3790.0
580
8.00
-0.15
605.0
3.00 -1.50
23 (26)
6.0
2625.00
594.0
1.00
8.20
7.00
21.0
2151.00
1627.0
7.0
138.0
3728.0
590
8.00
-0.15
615.0
3.00 -1.50
23 (26)
6.0
2700.00
604.0
1.00
8.20
7.00
21.0
2188.00
1601.0
7.0
136.0
3668.0
600
8.00
-0.15
625.0
3.00 -1.50
23 (26)
6.0
2770.00
614.0
1.00
8.20
7.00
21.0
2221.00
1571.0
7.0
134.0
3598.0
650
9.00
-0.20
680.0
3.00 -1.50
23 (34)
6.0
3600.00
666.0
1.00
9.30
8.00
24.0
2753.00
2654.0
7.0
226.0
6078.0
700
9.00
-0.20
730.0
4.00 -2.00
23 (34)
6.0
4120.00
716.0
1.00
9.30
8.00
24.0
2966.00
2471.0
7.0
210.0
5661.0
750
9.00
-0.20
785.0
4.00 -2.00
23 (34)
9.0
4540.00
768.0
1.00
9.30
9.00
27.0
3566.00
2310.0
7.0
196.0
5285.0
800
9.00
-0.20
835.0
4.00 -2.00
23 (34)
9.0
5450.00
818.0
1.00
9.30
9.00
27.0
3800.00
2176.0
7.0
184.0
4980.0
850
9.00
-0.20
890.0
4.00 -2.00
23 (34)
9.0
5990.00
870.0
1.00
9.30
10.00
30.0
4500.00
2045.0
7.0
173.0
4680.0
900
9.00
-0.20
940.0
4.00 -2.00
23 (34)
9.0
6740.00
920.0
1.00
9.30
10.00
30.0
4766.00
1938.0
7.0
164.0
4435.0
950
9.00
-0.20
1000.0
4.00 -2.00
23 (34)
9.0
7930.00
972.0
1.00
9.30
11.00
33.0
5608.00
1840.0
7.0
156.0
4210.0
1000
9.00
-0.20
1050.0
4.00 -2.00
23 (34)
9.0
8880.00
1022.0
1.00
9.30
11.00
33.0
5825.00
1752.0
7.0
148.0
4010.0
Mengenai kita
Anhui Ningguo Dongbo Fastener Co., Ltd.
Dongbo ditubuhkan pada bulan September 2005 dengan modal berdaftar sebanyak 47.72 juta. Ia terletak di Zon Pembangunan Ekonomi dan Teknologi Ningguo, meliputi kawasan seluas 91 ekar, dan kini mempunyai lebih daripada 420 pekerja. Syarikat itu telah memberi tumpuan kepada pengeluaran cincin penahan selama 46 tahun dan merupakan pengeluar cincin snap profesional dan OEM/ODM snap penahan cincin, menghasilkan pencuci (bulat, rama-rama, sfera), cincin penahan, pin silinder elastik dan siri produk lain yang tidak disesuaikan. Ia adalah perusahaan berteknologi tinggi dengan skala besar, pelbagai jenis, spesifikasi lengkap, dan pembuatan bersepadu, R & D dan jualan dalam industri.
Sijil Kehormatan
  • CNA
  • IATF16949
  • Sijil
  • ISO14001
  • Sijil
  • Sijil
  • Sijil
  • Sijil
  • Sijil
  • Sijil
  • Sijil
  • Sijil

Berita

  • Apr 27,2026

    Bahagian Setem Bukan Standard: Panduan Lengkap

    Apakah Bahagian Setem Bukan Standard dan Masa Anda Memerlukannya BAHAGIAN STAMPING BUKAN STANDARD ialah komponen logam ketepatan yang dihasilkan melalui proses pengecapan — menggunakan acuan...

    Lihat lebih lanjut
  • Apr 22,2026

    Pemasangan & Pembuangan Circlip Luaran: Panduan Langkah demi Langkah

    Lingkaran luar adalah antara pengikat yang paling boleh dipercayai dan kos efektif dalam kejuruteraan mekanikal. Ditemui dalam segala-galanya daripada kotak gear automotif kepada sistem penghantar industri, ia menyedi...

    Lihat lebih lanjut
  • Apr 15,2026

    Panduan Snap Rings: Jenis, Kegunaan & Pemilihan

    Memahami Fungsi Teras Cincin Snap Snap cincin , yang sering dirujuk sebagai gelang penahan atau lilitan, berfungsi untuk tujuan mekanikal yang sangat khusus: ia menyekat pergerakan paksi sambil mengekalkan ke...

    Lihat lebih lanjut
  • Apr 08,2026

    Bahagian Setem Bukan Standard: Panduan Industri

    Ketepatan Kejuruteraan dalam Pengeluaran Bahagian Setem Bukan Standard Bahagian Setem bukan standard mewakili penyelesaian pembuatan kritikal untuk industri yang memerlukan komponen yang menyimpang daripada spesifi...

    Lihat lebih lanjut
Metrik Circlips-Din472 Dalaman Industry knowledge

Peranan DIN 472 Circlips dalam memastikan kedudukan paksi yang selamat dalam lubang bulat

Standard DIN 472 mentakrifkan spesifikasi untuk circlips dalaman, yang dipasang dalam alur pra-diproses dalam lubang bulat. Circlips ini direkayasa untuk memberikan kesesuaian yang selamat dengan menggunakan daya radial terkawal terhadap dinding alur. Fungsi utama mereka adalah untuk mengekalkan komponen pada aci atau dalam lubang, menghalang pergerakan yang tidak diingini semasa operasi.

Tidak seperti circlips luaran, yang dipasang pada permukaan luar aci, DIN 472 Circlips dalaman direka untuk disesuaikan dengan sombong di dalam lubang, dengan diameter luarnya sedikit lebih besar daripada diameter lubang bulat yang dipasang. Fit gangguan ini memastikan bahawa circlip tetap duduk dengan selamat, walaupun di bawah keadaan dinamik seperti kejutan, getaran, atau putaran berkelajuan tinggi.

Bagaimana DIN 472 Circlips berfungsi?
Keberkesanan DIN 472 Circlips terletak pada reka bentuk dan sifat bahan mereka. Diperbuat daripada bahan berkualiti tinggi seperti keluli karbon (65mn, C67s) atau keluli tahan karat (304, 2CR13, 1.4122), ini mempunyai keanjalan, kekuatan, dan ketahanan keletihan yang sangat baik. Apabila dipasang menggunakan tang circlip khusus, circlip mengembang sedikit agar sesuai dengan alur dan kemudian kontrak ke bentuk asalnya, mewujudkan meterai yang ketat yang menghalang anjakan paksi.

Ciri -ciri utama Din 472 Circlips Sertakan:
Fit Gangguan: Memastikan Circlip tetap duduk dengan selamat di dalam alur.
Ciri -ciri Spring: Membolehkan Circlip menyerap kejutan dan getaran tanpa ubah bentuk kekal.
Dimensi Precision: Toleransi yang ketat memastikan prestasi yang konsisten merentasi pelbagai aplikasi.
Aplikasi di seluruh industri
DIN 472 Circlips dalaman digunakan secara meluas dalam aplikasi di mana pengekalan paksi adalah kritikal. Beberapa contoh biasa termasuk:

Industri Automotif: Dalam enjin, transmisi, dan sistem penggantungan, DIN 472 circlips digunakan untuk mengekalkan komponen seperti galas, gear, dan bushings, memastikan operasi lancar di bawah beban tinggi dan getaran.
Kejuruteraan Aeroangkasa: Dalam komponen pesawat seperti perhimpunan gear pendaratan dan sistem kawalan, sirip ini menyediakan pengekalan paksi yang boleh dipercayai sambil menahan keadaan yang melampau, termasuk turun naik suhu dan getaran frekuensi tinggi.
Jentera Perindustrian: Dari sistem penghantar ke peralatan tugas berat, DIN 472 Circlips adalah penting untuk mendapatkan bahagian berputar atau reciprocating, mengurangkan kos downtime dan penyelenggaraan.
Peranti Perubatan: Circlips-kejuruteraan ketepatan digunakan dalam instrumen perubatan dan peralatan diagnostik, di mana ketepatan dan kebolehpercayaan tidak boleh dirunding.
Pemilihan bahan dan rawatan permukaan
Untuk memenuhi tuntutan pelbagai persekitaran operasi, DIN 472 CIRCLIP DALAMAN boleh didapati dalam pelbagai bahan dan rawatan permukaan.
Pilihan biasa termasuk:
Keluli karbon: Menawarkan kekuatan dan ketahanan yang tinggi, menjadikannya sesuai untuk aplikasi tujuan umum.
Keluli tahan karat: Menyediakan rintangan kakisan yang sangat baik, sesuai untuk persekitaran yang keras seperti pemprosesan marin atau kimia.
Rawatan permukaan: Pilihan seperti fosfat, dacromet, geomet, galvanizing, dan penyaduran zink-nikel meningkatkan rintangan sirip untuk memakai, karat, dan kemerosotan alam sekitar.
Pilihan bahan dan rawatan ini memastikan bahawa Circlips DIN 472 boleh dilakukan dengan pasti dalam hampir apa -apa aplikasi, sama ada terdedah kepada kelembapan, bahan kimia, atau suhu yang melampau.

Mengapa memilih Anhui Ningguo Dongbo Fastener Co., Ltd.?
Ketika datang untuk mendapatkan sumber berkualiti tinggi DIN 472 Circlips, Anhui Ningguo Dongbo Fastener Co., Ltd. menonjol sebagai rakan kongsi yang dipercayai. Ditubuhkan pada bulan September 2005 dan terletak di Zon Pembangunan Ekonomi dan Teknologi NingGuo, Dongbo Fastener mempunyai lebih dari 46 tahun pengalaman dalam menghasilkan cincin, pencuci, pin silinder elastik, dan komponen-komponen yang terdiri daripada ketepatan.

Dengan fokus pada inovasi dan kepuasan pelanggan, Dongbo Fastener menawarkan:
Julat Produk Komprehensif: Dari Standard DIN 472 Circlips ke penyelesaian disesuaikan sepenuhnya disesuaikan dengan keperluan khusus.
Teknik Pembuatan Lanjutan: Menggunakan peralatan dan proses terkini untuk memastikan ketepatan dan konsistensi dimensi.
Komitmen terhadap Kualiti: Protokol Jaminan Ujian dan Kualiti yang ketat memastikan setiap produk memenuhi atau melebihi piawaian industri.
Penyelesaian sehenti: Dari pengeluaran besar-besaran ke pembangunan tersuai, Dongbo menyediakan pembuatan bersepadu, R & D, dan perkhidmatan jualan.