+86-563-4186973

Hantar maklum balas

Cincin snap luaran anti-pergeseran berat-M2400 SW Pembekal

Rumah / Produk / Cincin snap / Cincin snap luaran anti-pergeseran berat-M2400 SW

Kategori produk

Kosongkan semua

Hubungi kami

Cincin snap luaran anti-pergeseran berat-M2400 SW

Cincin snap luaran anti-pergeseran tugas berat adalah peranti yang digunakan untuk mengelakkan galas dari beroperasi dalam run perumahan galas, peranan utamanya adalah untuk menetapkan galas, bukannya brek, yang kini digunakan dalam pencetakan langsung bahan keras, saiz konsistensi lebih baik.

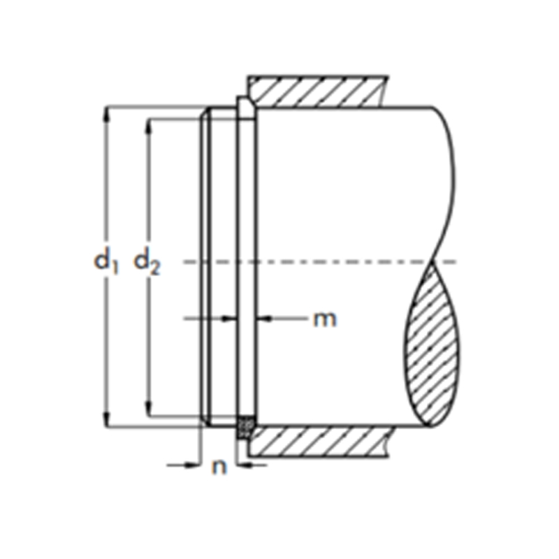
D1: Saiz Spesifikasi/Nominal; S: ketebalan; D3: Diameter dalaman; B: lebar bahu; WT: Berat; FN: Kapasiti galas alur; FR: mengekalkan kapasiti galas cincin; NABL: Mengehadkan kelajuan;

Cincin snap luaran anti-pergeseran berat-M2400 SW

d1 S (-0.1) B (-0.1) D3 Max Wt (g) d2 Tol M min Fn (kn) Fr (kn) n ablx1000
4
0.5
0.8
3.7
0.02
3.8
-0.09
0.6
0.2
1.25
275
5
0.5
1
4.7
0.05
4.8
-0.09
0.6
0.26
1.3
192
6
0.7
1.1
5.6
0.09
5.7
-0.09
0.8
0.46
3.5
141
7
0.7
1.2
6.5
0.12
6.7
-0.09
0.8
0.54
3.5
134
8
1
1.3
7.4
0.2
7.6
-0.09
1.1
0.82
6.5
108
9
1
1.3
8.4
0.24
8.6
-0.09
1.1
0.92
6.5
80
10
1
1.3
9.4
0.25
9.6
-0.09
1.1
1.03
6.5
68
11
1
1.3
10.2
0.29
10.5
-0.11
1.1
1.4
9.8
64
12
1
1.3
11.2
0.3
11.5
-0.11
1.1
1.53
9.3
53
13
1
1.3
12.2
0.34
12.5
-0.11
1.1
1.7
8.9
43
14
1.2
1.5
13.1
0.5
13.5
-0.11
1.3
1.8
17
45
15
1.2
1.75
14
0.66
14.4
-0.11
1.3
2.3
18.7
44
16
1.2
1.75
15
0.69
15.4
-0.11
1.3
2.47
17.7
38
17
1.2
1.75
16
0.72
16.4
-0.11
1.3
2.63
17
34
18
1.2
1.75
17
0.75
17.4
-0.11
1.3
2.78
16.2
30
19
1.2
1.75
17.9
0.8
18.4
-0.13
1.3
2.94
15.6
29
20
1.2
1.75
18.7
0.84
19.2
-0.13
1.3
4.1
15
26
21
1.2
1.75
19.7
0.87
20.2
-0.13
1.3
4.3
14.6
23
22
1.2
1.75
20.7
0.91
21.2
-0.13
1.3
4.5
14
21
24
1.2
1.75
22.5
0.99
23
-0.13
1.3
6.15
13.3
18
25
1.2
1.75
23.5
1
24
-0.13
1.3
6.4
12.8
16
26
1.2
1.75
24.5
1.1
25
-0.13
1.3
6.65
12.5
15
27
1.5
2.3
25.5
2
26
-0.13
1.6
6.95
30
16
28
1.5
2.3
26.5
2.11
27
-0.13
1.6
7.2
29.3
15
29
1.5
2.3
27.5
2.2
28
-0.13
1.6
7.45
28.2
14
30
1.5
2.3
28.5
2.33
29
-0.13
1.6
7.7
27.5
13
32
1.5
2.3
30.2
2.41
30.8
-0.16
1.6
9.9
26.5
13
35
1.5
2.3
33.2
2.51
33.8
-0.16
1.6
10.8
24.4
11
37
1.5
2.3
35.2
2.72
35.8
-0.16
1.6
11.3
23.5
9
38
1.5
2.3
36.2
2.83
36.8
-0.16
1.6
11.6
22.7
9
40
1.5
2.3
37.8
2.91
38.5
-0.16
1.6
15.5
22
8
42
1.5
2.3
39.8
3.1
40.5
-0.16
1.6
16.2
21.4
7
43
1.5
2.3
40.8
3.25
41.5
-0.16
1.6
16.5
21.1
7
45
1.5
2.3
42.8
3.39
43.5
-0.16
1.6
17.3
20.6
6
47
1.5
2.3
44.8
3.48
45.5
-0.16
1.6
18.2
19.2
6
48
1.5
2.3
45.8
3.6
46.5
-0.16
1.6
18.7
18.6
5
50
1.5
2.3
47.8
3.73
48.5
-0.16
1.6
19.5
18.1
5
52
1.5
2.3
49.8
3.92
50.5
-0.19
1.6
20.2
17.7
4
55
1.5
2.3
52.6
4.11
53.5
-0.19
1.6
21
16.5
4
58
1.5
2.3
55.6
4.4
56.5
-0.19
1.6
22.5
15.7
4
60
1.5
2.3
57.6
4.55
58.5
-0.19
1.6
23.2
15.4
4
63
1.5
2.3
60.6
4.58
61.5
-0.19
1.6
24.4
14.7
3
65
1.5
2.3
62.6
4.64
63.5
-0.19
1.6
25.2
14.2
3
68
2
2.8
65.4
8.59
66.2
-0.19
2.2
31.7
39.6
3
70
2
2.8
67.4
8.71
68.2
-0.19
2.2
32.5
38.4
3
72
2
2.8
69.4
8.8
70.2
-0.19
2.2
33.7
37.6
3
73
2
2.8
70.4
8.9
71.2
-0.19
2.2
34
37
3
75
2
2.8
72.4
9.32
73.2
-0.19
2.2
35
36.2
2
80
2
2.8
77.4
9.67
78.2
-0.19
2.2
37.4
34.2
2
85
2.5
3.4
82
16
83
-0.22
2.7
44
72
2
90
2.5
3.4
87
16
88
-0.22
2.7
46.5
66.3
2
95
2.5
3.4
92
18.2
93
-0.22
2.7
49.2
61.8
2
100
2.5
3.4
97
18.9
98
-0.22
2.7
51.9
57.3
2
105
2.5
3.4
101.7
20.7
102.7
-0.22
2.7
65
54
2
110
2.5
3.4
106.6
20.9
107.7
-0.22
2.7
69
50.4
1
115
2.5
3.4
111.6
22.1
112.7
-0.22
2.7
71
47.2
1
120
2.5
3.4
116.5
24.1
117.7
-0.22
2.7
75
44.8
1
125
2.5
3.4
121.5
25.1
122.7
-0.25
2.7
78.5
41.8
1
130
2.5
3.4
126.4
26.6
127.7
-0.25
2.7
84
39.6
1
135
2.5
4
131.1
30.2
132.4
-0.25
2.7
87
44
1
140
2.5
4
136
31.1
137.4
-0.25
2.7
91.5
41.6
1
145
2.5
4
141
32.6
142.4
-0.25
2.7
95
39.6
1
150
2.5
4
145.9
32.8
147.4
-0.25
2.7
98
37.5
1
155
2.5
4
150.9
34.7
154.4
-0.25
2.7
100
36.3
1
160
2.5
4
155.8
36.6
157.4
-0.25
2.7
103
35.6
1
165
2.5
4
160.8
37.4
162.4
-0.25
2.7
106
34.2
0.5
170
2.5
4
165.7
38.5
167.4
-0.25
2.7
108
33.5
0.5
175
2.5
4
170.7
39.4
172.4
-0.25
2.7
117
32.2
0.4
180
3
5
175.2
61.2
177
-0.25
3.2
140
67.5
1
185
3
5
180.2
63.9
182
-0.29
3.2
144
66.2
1
190
3
5
185.1
65.9
187
-0.29
3.2
148
64
1
195
3
5
190.1
67.5
192
-0.29
3.2
152
62.6
1
200
3
5
196
68.4
197
-0.29
3.2
156
61.4
0.5
210
3
5
204.9
72
207
-0.29
3.2
164
58
0.5
220
3
5
214.8
76.3
217
-0.29
3.2
171
55.5
0.4
230
3
5
224.7
79.8
227
-0.29
3.2
180
53
0.3
240
3
5
234.6
81.7
237
-0.29
3.2
187
51
0.3
250
3
5
244.5
86.5
247
-0.32
3.2
195
49
0.3
260
4
7.5
252.4
179
255
-0.32
4.2
338
168
0.4
265
4
7.5
257.4
185.2
260
-0.32
4.2
344
165
0.4
270
4
7.5
262.3
197.7
265
-0.32
4.2
350
162
0.4
280
4
7.5
272.2
198.7
275
-0.32
4.2
362
155
0.4
285
4
7.5
277.2
199.5
280
-0.32
4.2
370
151
0.3
290
4
7.5
282.1
205.3
285
-0.32
4.2
377
148
0.3
300
4
7.5
292.1
214.2
295
-0.32
4.2
390
145
0.3
305
4
7.5
297.1
219.4
300
-0.32
4.2
396
142
0.3
310
4
7.5
302
223.1
305
-0.32
4.2
402
139
0.3
320
4
7.5
311.9
225.3
315
-0.32
4.2
416
137
0.3
330
4
7.5
321.8
228.6
325
-0.36
4.2
428
132
0.2
340
4
7.5
331.7
239.3
335
-0.36
4.2
442
129
0.2
350
4
7.5
341.6
251.2
345
-0.36
4.2
455
123
0.2
360
4
7.5
351.5
253.1
355
-0.36
4.2
468
120
0.2
370
4
7.5
361.5
259.2
365
-0.36
4.2
482
117
0.2
380
4
7.5
371.4
265.8
375
-0.36
4.2
494
115
0.2
390
4
7.5
381.3
273.9
385
-0.36
4.2
507
112
0.2
400
4
7.5
391.2
281.1
395
-0.36
4.2
521
109
0.1
420
4.5
12
410
531
415
-0.36
4.8
547
133
0.3
460
4.5
12
449.5
582
455
-0.36
4.8
600
126
0.2
Mengenai kita
Anhui Ningguo Dongbo Fastener Co., Ltd.
Dongbo ditubuhkan pada bulan September 2005 dengan modal berdaftar sebanyak 47.72 juta. Ia terletak di Zon Pembangunan Ekonomi dan Teknologi Ningguo, meliputi kawasan seluas 91 ekar, dan kini mempunyai lebih daripada 420 pekerja. Syarikat itu telah memberi tumpuan kepada pengeluaran cincin penahan selama 46 tahun dan merupakan pengeluar cincin snap profesional dan OEM/ODM snap penahan cincin, menghasilkan pencuci (bulat, rama-rama, sfera), cincin penahan, pin silinder elastik dan siri produk lain yang tidak disesuaikan. Ia adalah perusahaan berteknologi tinggi dengan skala besar, pelbagai jenis, spesifikasi lengkap, dan pembuatan bersepadu, R & D dan jualan dalam industri.
Sijil Kehormatan
  • CNA
  • IATF16949
  • Sijil
  • ISO14001
  • Sijil
  • Sijil
  • Sijil
  • Sijil
  • Sijil
  • Sijil
  • Sijil
  • Sijil

Berita

  • Apr 27,2026

    Bahagian Setem Bukan Standard: Panduan Lengkap

    Apakah Bahagian Setem Bukan Standard dan Masa Anda Memerlukannya BAHAGIAN STAMPING BUKAN STANDARD ialah komponen logam ketepatan yang dihasilkan melalui proses pengecapan — menggunakan acuan...

    Lihat lebih lanjut
  • Apr 22,2026

    Pemasangan & Pembuangan Circlip Luaran: Panduan Langkah demi Langkah

    Lingkaran luar adalah antara pengikat yang paling boleh dipercayai dan kos efektif dalam kejuruteraan mekanikal. Ditemui dalam segala-galanya daripada kotak gear automotif kepada sistem penghantar industri, ia menyedi...

    Lihat lebih lanjut
  • Apr 15,2026

    Panduan Snap Rings: Jenis, Kegunaan & Pemilihan

    Memahami Fungsi Teras Cincin Snap Snap cincin , yang sering dirujuk sebagai gelang penahan atau lilitan, berfungsi untuk tujuan mekanikal yang sangat khusus: ia menyekat pergerakan paksi sambil mengekalkan ke...

    Lihat lebih lanjut
  • Apr 08,2026

    Bahagian Setem Bukan Standard: Panduan Industri

    Ketepatan Kejuruteraan dalam Pengeluaran Bahagian Setem Bukan Standard Bahagian Setem bukan standard mewakili penyelesaian pembuatan kritikal untuk industri yang memerlukan komponen yang menyimpang daripada spesifi...

    Lihat lebih lanjut
Cincin snap luaran anti-pergeseran berat-M2400 SW Industry knowledge

Memperbaiki dengan Precision: Mengapa M2400 SW Snap Rings sangat penting untuk jentera moden

M2400 SW cincin snap anti-pergeseran berat M2400 SW mengambil konsep ini ke peringkat seterusnya. Direkayasa untuk aplikasi beban tinggi, ia bukan sahaja menjamin galas tetapi juga menentang peralihan yang disebabkan oleh getaran atau pengembangan haba-cabaran biasa dalam persekitaran operasi yang keras. Ini menjadikannya sangat berharga dalam senario di mana konsistensi bahan dan ketepatan dimensi adalah kritikal, seperti proses pencetakan langsung bahan keras.

Kualiti yang tidak dapat ditandingi dari Anhui Ningguo Dongbo Fastener Co., Ltd.
Di sebalik setiap produk yang luar biasa adalah syarikat yang komited untuk inovasi dan kualiti. Anhui Ningguo Dongbo Fastener Co., Ltd., yang ditubuhkan pada September 2005, telah membina reputasi sebagai pemimpin dalam industri pengikat. Dengan lebih daripada empat dekad pengalaman yang mengkhususkan diri dalam mengekalkan cincin, pencuci, dan penyelesaian stamping tersuai, syarikat itu menggabungkan ketukangan tradisional dengan teknologi canggih.

Terletak di Zon Pembangunan Ekonomi dan Teknologi Ningguo, Dongbo menawarkan kemudahan canggih yang merangkumi 91 ekar dan mempekerjakan lebih daripada 530 profesional mahir. Dedikasi untuk penyelidikan dan pembangunan memastikan produk seperti cincin snap M2400 SW memenuhi keperluan pasaran global yang berkembang. Sama ada menghasilkan bahagian standard atau membangunkan penyelesaian yang disesuaikan, Dongbo secara konsisten memberikan ketepatan dan ketahanan yang tiada tandingannya.

Ciri -ciri utama cincin snap M2400 SW
Apa yang menetapkan M2400 SW Cincin Snap Anti-Pergigian Berat Berat Berpisah? Berikut adalah beberapa ciri yang menonjol:

Konsistensi Bahan Superior: Dikeluarkan menggunakan teknik canggih, M2400 SW menawarkan kestabilan dimensi yang luar biasa, memastikan fit dan fungsi optimum di pelbagai aplikasi.
Reka bentuk tugas berat: Dibina untuk menahan tekanan yang melampau dan menahan ubah bentuk, cincin snap ini sesuai untuk digunakan dalam jentera berat dan persekitaran tekanan tinggi.
Keupayaan anti-peralihan: Tidak seperti cincin snap konvensional, SW M2400 meminimumkan risiko anjakan akibat perubahan getaran atau haba, meningkatkan kebolehpercayaan sistem keseluruhan.
Fleksibiliti: Sesuai untuk pelbagai industri, termasuk automotif, pembinaan, dan pembuatan, M2400 SW menyesuaikan diri dengan pelbagai keperluan operasi.

Komitmen terhadap inovasi dan kecemerlangan
Di tengah -tengah kejayaan Dongbo terletak komitmen yang teguh terhadap inovasi. Dari bahagian-bahagian standard yang menghasilkan massa untuk menawarkan penyelesaian sehenti yang komprehensif, syarikat itu terus menolak sempadan. Dengan tetap berpegang pada misi asalnya yang berkualiti tinggi, produk yang boleh dipercayai-Dongbo telah memperoleh kepercayaan pelanggan di seluruh industri.

Apabila industri berkembang dan menuntut penyelesaian yang semakin canggih, kepentingan komponen yang direka bentuk ketepatan seperti cincin snap M2400 SW tidak dapat dilebih-lebihkan. Peranti kecil namun hebat ini memainkan peranan penting dalam menjaga jentera moden berjalan lancar, cekap, dan selamat.